Compétences

Conduites de véhicules de transport de personnes
Titre Pro et Permis D
Anglais
Niveau A2
Relationnel Clients
Accueil - Conseil - Propositions de vente - S.A.V.
Programmation machines de production (Grafcet, Siemens,...)
Création de schemas Grafset - Mise en application des procédures électrique (Habilitation BR)
Réglages techniques des machines - Maintenance
Lecture de plans et schemas techniques
Schémas électronique et électrique - Plans électro-mécanique
I.O.T. & Domotique
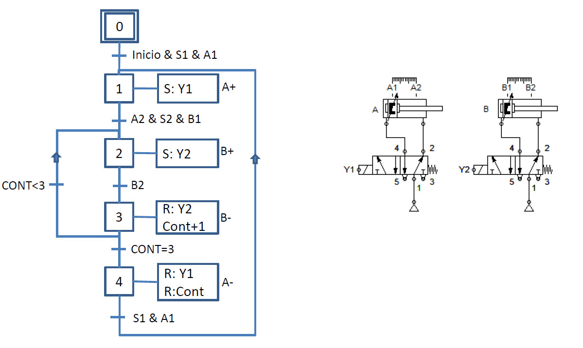
Schéma Grafcet
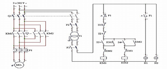
Schéma électrique 2 Schéma électrique 1